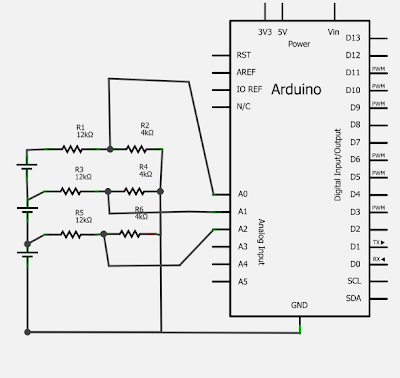
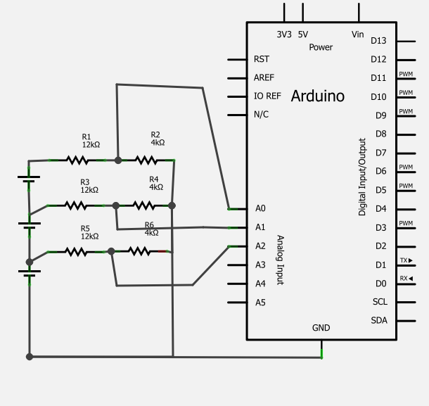
Monitorando carga de baterias Lipo de 3 células Oct 5, 2013 Esquemático para montagem de monitor de tensão da bateria. Este mesmo esquemático pode ser usado nas entradas analógicas da Stellaris Launchpad